BLXH系列闭路循环喷雾干燥机
闭路循环喷雾干燥机概述:
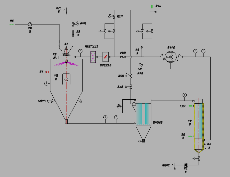
闭式循环喷雾干燥机是专用于乙醇,丙酮,己烷,气油等有机溶剂制成的悬浊液,以惰性气体(或氮气)做为干燥介质的产品的闭路循环式喷雾干燥工艺。整个过程产品无氧化,介质可回收,惰性气体(或氮气)可循环利用。为有机溶剂回收设计的闭式循环系统,系统防爆控制要求极高,系统自控性能极高,GMP要求苛刻。常用于精密陶瓷、医药品、电池材料、硬质合金(Wc.Fe)粉的喷雾干燥。
闭式喷雾干燥系统也称封闭循环式喷雾干燥系统,它的特点是系统组成一个封闭的循环回路,载热体可以循环使用。对于挥发物是有机化学溶剂、有毒或逸出后能对人身、环境造成危害物料的干燥,料液中含有的有机溶剂或产品是易氧化、易燃、易爆的物料,一般情况下,需用这种流程的物料都是不能接触氧气的,所以载热体大多使用惰性气体(如氮气、二氧化碳等)。从干燥器排出的尾气,经过气固分离后还要经过冷凝器回收溶剂或去除湿分,再经加热器升温后进入干燥器进行循环使用。这类干燥器在系统中要增加制冷设备,运转费用较高,对设备的气密性要求较高,干燥器内以常压或微正压为主,以防止空气进入系统。
闭路循环干燥机工作原理:
闭式循环喷雾干燥设备是在密闭的环境下工作,干燥介质为惰性气体(或氮气),适用于有机溶剂的物料干燥有毒气的物料或干燥过程中易发生氧化的物料的干燥;该系统采用惰性气体作为循环气体,对干燥的物料具有保护作用,循环气体经历载湿、去湿的过程,介质可重复使用;氮气经加热器加热后进入干燥塔,液体物料经螺杆泵输送至离心喷头处,液体被高速循环的雾化器雾化成的粉状物料从塔底排出,被蒸发的有机溶剂气体在风机负压的压力下,把夹在气体中的粉尘经旋风分离器、喷淋塔除尘后饱和的有机溶剂气体经冷凝器冷凝成液体排出冷凝器,不凝性气体介质连续加热后作为干燥载体在系统内重新循环使用。而常规的普通的离心喷雾干燥是通过不断的送、排风达到排湿的目的,这也是防爆型闭式离心喷雾干燥设备与普通离心喷雾干燥设备的一个明显区别;干燥系统内部为正压操作,保持一定的正压值,如果内部压力下降,由压力变送器来自动控制进量,保证系统压力平衡。

上一条:LQZ系列喷雾冷却制粒机
下一条:没有了

