闭路式循环干燥机-闭路循环喷雾干燥机-溶剂喷雾干燥机
发布时间:
2024-11-20

一、闭路循环离心喷雾干燥机设选型、说明:
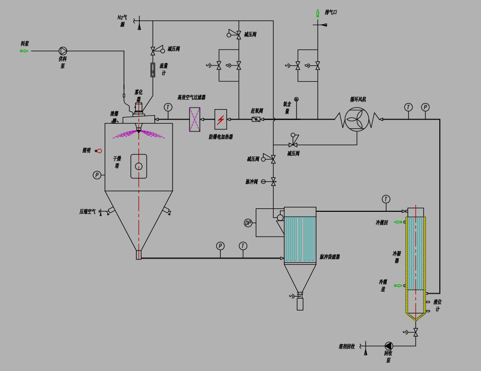
1)、喷雾干燥塔:
喷雾主塔直径2.2m,直段高H1=8.0m,锥体取55度角H2=3.5m,安装总高:H=10m。干燥塔内筒体材质选用板厚3mm304不锈钢制作。筒体设保温,保温厚80mm,外封板厚1.2mm不锈钢板满焊;塔顶铺板厚δ3mm304不锈钢防滑花纹板;干燥塔骨架由碳钢构成;为防止物料干粉在塔内壁吸附、堆积,塔体内壁采用镜面抛光处理,抛光精度Ra≤0.4um,焊缝Ra≤0.8um;塔体适宜部位安装有气动振击锤,依次自动振击,使粉料能及时从底部排出。喷塔上另设有清理门、照明灯、视镜孔等,方便用户对设备的清洗、雾化器的观察等。考虑安全,本设备干燥室设置有排空阀及泄爆口,泄爆压力+10000(±25%)Pa,干燥室内一旦发生燃烧、超压泄爆口即打开,以保护设备和人员安全。
干燥塔设钢架支撑及附有操作平台,钢架平台、楼梯及栏杆扶手均采用304不锈钢材质制作,平台铺δ3mm防滑板,平台至塔顶设直梯,塔顶配安全围栏。
2)干燥机供料系统
A、供料泵:
设备供料选用蠕动泵:供料量:200--500L/h;流量调整:变频控制;功率:5.5kw,电机防爆;材质:物料接触304不锈钢加丁腈橡胶。
B、雾化器:
根据料液处理量,并考虑在顺流操作条件下,为了保证干燥的均匀度与热效率,选用雾化器型号为BXH-10型,N=7.5KW,转速21000转/分可调节,采用齿轮增速传动,配套水循环冷却润滑油方式,并配以变频器调节雾化器的线速度,以达到成品颗粒雾化效果。
3)、 成品收集系统
产品收集为布袋除尘器集中收料。
A、布袋除尘器
选型:按过滤气速0.5--0.8m/min计算,选用型号为MC-144型布袋除尘器,实际过滤面积为84m2,选用布袋为涤纶针刺镶嵌不锈钢丝防静电布料,表面覆PTFE膜处理,耐温130度;规格为Φ120×1500.除尘器材质:304不锈钢;壁厚δ=5mm,内壁镜面抛光处理;另考虑粉料吸附、架桥,在锥体适宜部位设置有气动振击锤,确保出料顺畅。
4)、尾气冷却冷凝循环系统
根据系统设计需求,尾气冷却采用列管冷凝器;冷源采用
-10℃乙二醇(冷媒需方自备)。
A、冷凝器
冷凝器面积为100m2,确保尽可能的把溶剂冷凝收集,冷凝器整体保温,内壁过流部分304不锈钢制作。
C、循环风机
根据系统气体循环量及各系统压损选用密闭型循环风机一台;风机风量:5000--10000m3/h,风压:10000--18000Pa,功率:30Kw变频控制;;风机材质:铝叶轮加304机壳,整体密闭不漏气。附件:含减震垫、软连接等。
系统连接风管:喷雾主塔至加热器进口连接管道选用规格为D500。材质:选用304不锈钢卫生管制作。法兰采用平板式标准法兰,配以石墨缠绕垫密封,法兰材质304不锈钢。
5)、热风供热系统
根据条件采用电加热器直接加热氮气作为热源。
A、蒸汽+电加热器补偿:
加热器按最高输出温度200℃配置,并考虑作为热源应有一定的加热余量
则电加热器总加热功率P=89kw,分组控制。其中一组受进风温度自动控制。电加热器材质:电加热管材质为304不锈钢管绕不锈钢翅片;箱体内外壁材质为304不锈钢满焊并保温,保温材料:硅酸铝;电加热器箱体密闭不漏气;加热管接头防爆,等级为IIA T4。蒸汽换热器为:200平方。
B、热风管
根据系统风量需求配置管道规格为D400不锈钢管道。管道保温,保温厚80mm,外封1.2mm不锈钢;中间填充保温棉。
6)、电控系统:
电控柜隔离放置,现场防爆操作箱操作,设急停按钮;控制采用人机界面+PLC程序控制,实时显示工作状态,输入输出模块数据在线采集,系统显示控制温度、塔内压力、料泵频率,超压报警;风机、料泵变频调速;进风温度模糊控制,误差±5℃;故障自诊断功能,显示出现故障的具体部件,大大方便设备的日常维护维修,故障报警分3个级别:关键、一般和警告,系统会根据不同的故障原因做出相应的处理,显示故障发生的时间和故障原因;PLC程序控制及互锁,防止设备误操作,保证设备安全稳定运行;控制柜设紧急停止按钮,供紧急情形下能够立即停机。
二、设备工作原理
闭路循环离心喷雾干燥机,是有机溶剂类料浆干燥的专用设备。该机组是由氮气(或其他惰性气体)作为干燥循环气体,干燥过程物料可以防止氧化、同时有机溶剂可以回收。闭式循环喷雾干燥机一般用于乙醇、丙酮、己烷等有机溶剂类制备料浆的粉体干燥,设备采用防爆设计,干燥过程安全环保。
三、主要用途
闭路循环离心喷雾干燥机,该设备适用于干燥过程要防止氧化,干燥后粉体一致性要求高。如医药、化工、食品、锂电材料等行业粉体。通过离心喷雾可得到平均粒径10-100μm的粉体。当然整个干燥过程是在氮气保护下完成的,有机溶剂可以同时得到回收。
四、工作原理
闭路循环离心喷雾干燥机系统是在密闭的环境下工作,干燥介质为惰性气体,一般为N2,适用于有机溶剂的物料干燥有毒气的物料或干燥过程中易发生氧化的物料的干燥;该系统采用惰性气体作为循环气体,对干燥的物料具有保护作用,循环气体经历载湿、去湿的过程,介质可重复使用;氮气经加热器加热后进入干燥塔,液体物料经螺杆泵输送至离心喷头处,液体被高速循环的雾化器雾化成液滴,在干燥塔内完成热质交换过程,被蒸发的溶剂气体在风机负压的压力下,把夹在气体中的干物料经旋风分离器和布袋除尘下部回收,饱和的溶剂气体经冷凝器冷凝成液体排出冷凝器,不凝性气体介质连续加热后作为干燥载体在系统内重新循环使用。而常规的普通的离心喷雾干燥是通过不断的送、排风达到排湿的目的,这也是防爆型闭式离心喷雾干燥设备与普通离心喷雾干燥设备的一个明显区别;干燥系统内干燥介质为N2,内部为正压操作,保持一定的正压值,如果内部压力下降,由压力变送器来自动控制N2进量,保证系统压力平衡。
